Product Overview
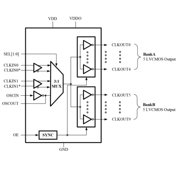
The AC2101 is a high-performance, low-noise LVCMOS output buffer that can distribute 10 ultra-low-jitter clocks from single-ended, differential, or crystal inputs.
Typical Applications:
RRU Reference Distribution
SONET, Ethernet, and Fibre Channel Line Interface Cards
Optical Transport Networks
GPON OLT/ONUs
Server and Storage Area Network Interconnects
Medical Imaging
Technical Indicators

Related News
Introduction to the Working Principle and Application Scenarios of TCXO
A Temperature-Compensated Crystal Oscillator (TCXO) is a type of crystal oscillator that enhances frequency stability through temperature compensation technology. Its core feature is the ability to automatically adjust the output frequency according to changes in ambient temperature, thereby ensuring the precision of clock signals. Compared with st
Learn More +Amid the rapid development of new-quality productive forces, artificial intelligence has become the core engine leading the future. The improvement of AI computing power and stable operation of large models rely on a fundamental underlying support: high-precision time and frequency technology.
Learn More +What is a Crystal Oscillator? An Introduction to the Basic Knowledge of Crystal Oscillators
Every standalone chip system contains a component called a crystal oscillator. So what exactly is a crystal oscillator? How much do you know about it? This article will provide an introduction. 1. What is a crystal oscillator? A crystal oscillator primarily refers to a quartz crystal oscillator. This component consists of a thin slice cut from a qu
Learn More +Clock Buffers in Modern Electronic Systems
In modern electronic systems, the clock buffer plays a vital role, with irreplaceable functions in data transmission, system stability and performance optimization. It not only improves signal integrity, but also significantly enhances system reliability and efficiency. This paper explores the core advantages of clock buffers from multiple perspect
Learn More +The annual IEEE1588 International Symposium on Clock Synchronization Measurement, Control and Communication (ISPCS) was held at the National Physical Laboratory in London, UK, from September 18 to 22,2023. Saisi attended as scheduled, collaborating with global partners to explore clock synchronization technologies and distributed applications based
Learn More +Technical Advantages and Applications of Clock Buffers
In modern electronic devices, clock buffers serve as key components that significantly enhance the overall stability and efficiency of the system. This paper explores in detail the various technical advantages of clock buffers and elaborates on their extensive applications across different fields.
Learn More +In the healthcare industry, precise time synchronization is critical. Every second can be a matter of life and death, so the accuracy of the hospital clock system is not only a basic service requirement, but also a key factor in ensuring patient safety and improving medical efficiency. With the continuous progress of technology, the hospital clock
Learn More +BITS Synchronization Platform: The Unseen Backbone Powering Modern Digital Infrastructures
In the era of all-IP networks and digital transformation, precise time synchronization is the invisible backbone of every call, financial transaction, grid operation and data interaction. As legacy networks shift to packet-based architectures and technologies like 5G and smart grids demand ultra-high timing accuracy, the Building Integrated Timing
Learn More +Introduction to the Main Features of TCXO Crystal Oscillator
TCXO (Temperature Compensated Crystal Oscillator) is a crystal oscillator that automatically adjusts its frequency in response to temperature changes. This feature makes TCXO essential for applications requiring high-precision timekeeping, such as satellite navigation systems, radio communications, and computer motherboards. The stability of TCXO c
Learn More +The important role of clock system in the monitoring system
In today's digital and information-driven era, surveillance systems are omnipresent, functioning as the "eyes" of cities to safeguard public safety and order. As a critical component of these systems, the clock system plays an indispensable role by providing precise and stable time benchmarks. This ensures the effective operation of surveillance sy
Learn More +E - Mail
Call Me
+86 173 6733 7390
Add.
No. 1376, Shunze Road, Nanhu District, Jiaxing City, Zhejiang Province
