Product Overview
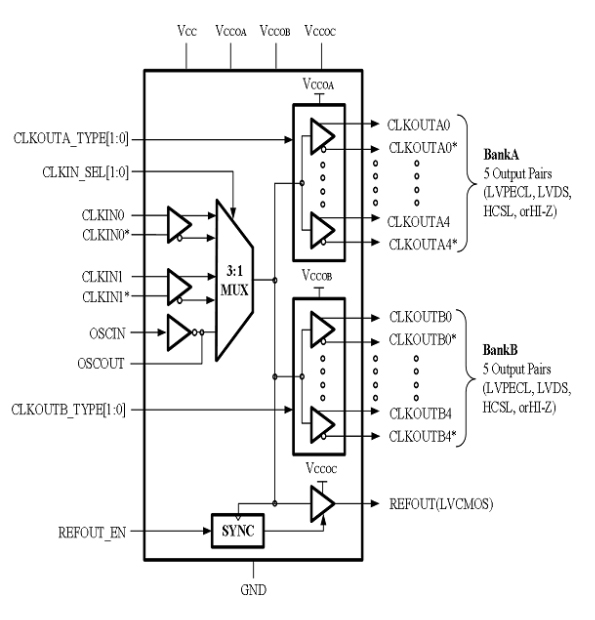
The AC2301 is a 3GHz, 10-channel differential fanout buffer designed for high-frequency, low-jitter clock/data distribution and level translation. The input clock can be selected from two differential inputs or a single crystal input. The selected input clock is distributed to two output groups, each consisting of five differential outputs and one LVCMOS output with sync functionality.
Typical Applications:
Clock distribution and level translation for ADCs, DACs, XAUI, SATA/SAS, SONET/SDH, CPRI, Fibre Channel, Multi-Gigabit Ethernet, and high-frequency backplanes
Switches, routers, line interface cards, timing cards
Servers, computing, PCI Express (PCIe 3.0, 4.0)
Remote Radio Units and Base Station Units
Technical Specifications
Technical Indicators

| Key Features | |
| 3:1 Input Multiplexer | Two universal inputs operate up to 2.1GHz and support LVPECL, LVDS, CML, SSTL, HSTL, HCSL, or single-ended clocks. |
| Single crystal input supports crystals from 10 to 40MHz or single-ended clocks. | |
| Two groups, each with 5 differential outputs | LVPECL, LVDS, HCSL, or high-impedance (Hi-Z) (selectable per group) |
| LVPECL additive jitter at 156.25MHz input clock source | 41fs RMS (10kHz to 20MHz) |
| 35fs RMS (1MHz to 20MHz) | |
| High PSSR | -80/-58dBc (LVPECL/LVDS) @ 156.25MHz |
| LVCMOS output with synchronous enable control | |
| Configuration by pin control | |
| VCC core power supply | 3.3V±5% |
| 3 independent VCCO output power supplies | 3.3V/2.5V±5% |
| Industrial temperature range | -40℃ to +85℃ |
| QFN48 package | 7.0x7.0x0.75mm |
Related News
How to Choose and Use an Oven-Controlled Crystal Oscillator (OCXO)
An Oven-Controlled Crystal Oscillator (OCXO), also known as an oven-controlled oscillator, is an electronic component designed to provide a stable and highly accurate frequency. In electronic devices, OCXOs are widely used in clocks, timers, computer motherboards, communication equipment, and various other applications. They play a crucial role in
Learn More +Analysis of the Core Characteristics of OCXO
In modern electronic devices, Oven-Controlled Crystal Oscillators (OCXOs) play a crucial role. Whether in communication base stations, satellite navigation systems, or high-precision measuring instruments, OCXOs stand out as indispensable core components due to their exceptional frequency stability
Learn More +How to Select a Suitable Clock Generator
In the field of precision electronic design, clock generators play a pivotal role. Like the heart of a system, they provide stable timing and accurate time references for digital systems. Whether in communication equipment, computer hardware, or embedded systems, high-quality clock signals are critical to ensuring performance and reliability. This
Learn More +The Importance of Time Synchronization Servers in the Financial Sector
With the continuous advancement of technology, the financial industry is undergoing a continuous digital transformation. In this process, the application of time synchronization technology has become particularly important. As an efficient and reliable time synchronization device
Learn More +Composition and Functions of a Clock System
In modern society, clock systems are ubiquitous, and their accuracy and reliability are crucial for both daily life and industrial activities. A standard clock system consists of multiple sophisticated components, each playing an indispensable role. This article will delve into the various components of a clock system and their functions, revealing
Learn More +Crystal Oscillator Industry Advantages
In the era of rapid technological advancement, the crystal oscillator, as a critical electronic component, plays an indispensable role across numerous industries. It serves as the "heart" of electronic devices, providing stable and precise frequency signals for various systems. Its unique industry advantages have established it as a highly sought-a
Learn More +Functional Analysis of Time Synchronization Server for Schools
In the modern technological environment, time synchronization is an essential service. Especially in school settings, accurate time management is crucial for the smooth conduct of teaching activities. This is where the time synchronization server for schools plays its role. So, what functions does a school time synchronization server have? This art
Learn More +Atomic Clock Applications in Airport Operations
In the field of modern air transportation, the accuracy of time is not only a technical issue but also a key link related to safety. Among numerous high-precision timekeeping devices, atomic clocks, with their outstanding stability and precision, have become an indispensable technical support for airports worldwide. This article will delve into the
Learn More +Introduction to the Working Principle and Application Scenarios of TCXO
A Temperature-Compensated Crystal Oscillator (TCXO) is a type of crystal oscillator that enhances frequency stability through temperature compensation technology. Its core feature is the ability to automatically adjust the output frequency according to changes in ambient temperature, thereby ensuring the precision of clock signals. Compared with st
Learn More +E - Mail
Call Me
+86 173 6733 7390
Add.
No. 1376, Shunze Road, Nanhu District, Jiaxing City, Zhejiang Province
